chyba coś źle doczytałeś.tom.tom pisze: Raczej skłaniam się ku X ze względu na moment na dole...
Wydech
Moderatorzy: mcgan, Pavulon_, stang232, celibad, pluzz, mcgan, Pavulon_, stang232, celibad, pluzz
-
caniggia
- Stowarzyszenie MKP
- Posty: 3868
- Rejestracja: 2008-12-19, 15:05
- Model: Mustang GT 4.6 Turbo
- Silnik: V8 4.6
- Kolor: satin silver
Re: Wydech
- Tom.Tom
- Forumowicz
- Posty: 1309
- Rejestracja: 2011-11-16, 20:58
- Model: X-CHARGED
- Silnik: V6 4.0
- Kolor: bordo + czarny mat
- Lokalizacja:: Trójmiasto
- Stajnia: Stajnia Pomorze
Re: Wydech
W wielu miejscach w Stanach piszą, że H ładniej brzmi, ale X lepiej wpływa na moment i moc, bo wywołuje podciśnienie usprawniające opróżnienie przeciwległego cylindra - bardziej niż H...caniggia pisze:chyba coś źle doczytałeś.tom.tom pisze: Raczej skłaniam się ku X ze względu na moment na dole...

:: PAN TOMASZ ZOSTAŁ BOHATEREM W SWOIM GARAŻU - SAM ZAMONTOWAŁ KOMPRESOR! :: viewtopic.php?f=13&t=5243&start=150#p137691
-
caniggia
- Stowarzyszenie MKP
- Posty: 3868
- Rejestracja: 2008-12-19, 15:05
- Model: Mustang GT 4.6 Turbo
- Silnik: V8 4.6
- Kolor: satin silver
Re: Wydech
Usprawnianie opróżniania wpływa na MOC.tom.tom pisze:ale X lepiej wpływa na moment i moc, bo wywołuje podciśnienie usprawniające opróżnienie przeciwległego cylindra - bardziej niż H...
- Tom.Tom
- Forumowicz
- Posty: 1309
- Rejestracja: 2011-11-16, 20:58
- Model: X-CHARGED
- Silnik: V6 4.0
- Kolor: bordo + czarny mat
- Lokalizacja:: Trójmiasto
- Stajnia: Stajnia Pomorze
Re: Wydech
a, no to ok, ale tak czy inaczej wychodzi, że X bardziej usprawnia niż H - zgadza się?

:: PAN TOMASZ ZOSTAŁ BOHATEREM W SWOIM GARAŻU - SAM ZAMONTOWAŁ KOMPRESOR! :: viewtopic.php?f=13&t=5243&start=150#p137691
-
caniggia
- Stowarzyszenie MKP
- Posty: 3868
- Rejestracja: 2008-12-19, 15:05
- Model: Mustang GT 4.6 Turbo
- Silnik: V8 4.6
- Kolor: satin silver
Re: Wydech
h usprawnia dół, x górę, było już o tym.tom.tom pisze:a, no to ok, ale tak czy inaczej wychodzi, że X bardziej usprawnia niż H - zgadza się?
- Tom.Tom
- Forumowicz
- Posty: 1309
- Rejestracja: 2011-11-16, 20:58
- Model: X-CHARGED
- Silnik: V6 4.0
- Kolor: bordo + czarny mat
- Lokalizacja:: Trójmiasto
- Stajnia: Stajnia Pomorze
Re: Wydech
Dzisiaj przyszła rura - nowy oryginał Walkera. Dzięki uprzejmości Kaszuba mam też na wzór oryginalne H od GT - postaram się pomierzyć dokładnie całe H i wrzucić tutaj jakby ktoś chciał kiedyś sobie dorobić.

:: PAN TOMASZ ZOSTAŁ BOHATEREM W SWOIM GARAŻU - SAM ZAMONTOWAŁ KOMPRESOR! :: viewtopic.php?f=13&t=5243&start=150#p137691
- Tom.Tom
- Forumowicz
- Posty: 1309
- Rejestracja: 2011-11-16, 20:58
- Model: X-CHARGED
- Silnik: V6 4.0
- Kolor: bordo + czarny mat
- Lokalizacja:: Trójmiasto
- Stajnia: Stajnia Pomorze
Re: Wydech
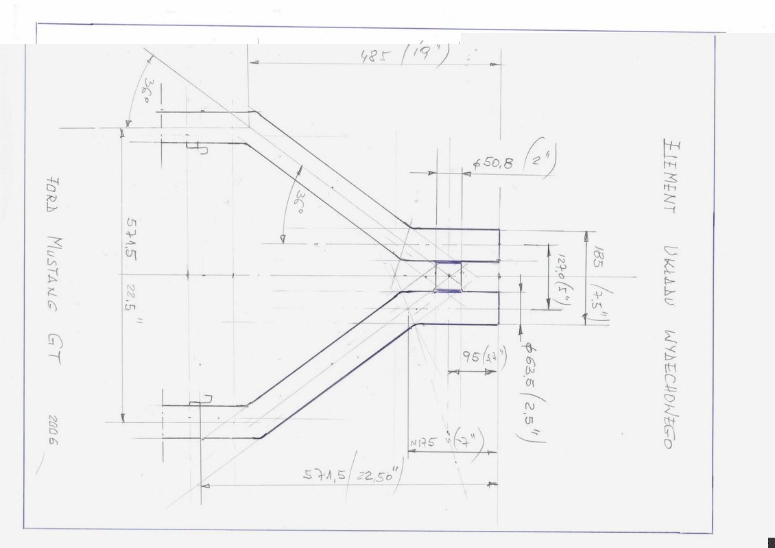
Zgodnie z obietnicą zamieszczam rysunek H-PIPE-a wykonany przez mojego tatę - szacun! 
Ostatnio zmieniony 2012-08-21, 13:47 przez Tom.Tom, łącznie zmieniany 1 raz.

:: PAN TOMASZ ZOSTAŁ BOHATEREM W SWOIM GARAŻU - SAM ZAMONTOWAŁ KOMPRESOR! :: viewtopic.php?f=13&t=5243&start=150#p137691
-
XerofaN
- Forumowicz
- Posty: 594
- Rejestracja: 2011-06-16, 15:56
- Model: Pony
- Silnik: V6 4.0
- Kolor: Tungsten Gray
Re: Wydech
eeee do gory nogami wkleiles
zamontowales juz jakis wydech?? nie masz ochoty wpasc do ulezy 2 wrzesnia zeby pochwalic sie nowym odglosem?
zamontowales juz jakis wydech?? nie masz ochoty wpasc do ulezy 2 wrzesnia zeby pochwalic sie nowym odglosem?
- Tom.Tom
- Forumowicz
- Posty: 1309
- Rejestracja: 2011-11-16, 20:58
- Model: X-CHARGED
- Silnik: V6 4.0
- Kolor: bordo + czarny mat
- Lokalizacja:: Trójmiasto
- Stajnia: Stajnia Pomorze
Re: Wydech
Ze względu na rozmiary nie dało się w pionie, ale zakładam, ze obrócić każdy potrafi 
H jeszcze nie uspawane, więc na razie jeżdżę z jedną rurą "ślepą"
jak będzie gotowe, to dam znać
Tu jeszcze znalazłem mądre mądrości na temat pracy wydechu: LINK
H jeszcze nie uspawane, więc na razie jeżdżę z jedną rurą "ślepą"
Tu jeszcze znalazłem mądre mądrości na temat pracy wydechu: LINK

:: PAN TOMASZ ZOSTAŁ BOHATEREM W SWOIM GARAŻU - SAM ZAMONTOWAŁ KOMPRESOR! :: viewtopic.php?f=13&t=5243&start=150#p137691
-
matison
- Młodszy Forumowicz
- Posty: 78
- Rejestracja: 2011-02-18, 18:07
- Model: 2012 GT conv
- Silnik: V8 5.0
- Kolor: niebieski
- Kontakt:
Re: Wydech
"przez Ciebie" kupiłem w sklepiku zakładowym tłumik od GT do mojego fi6, godzinka pod samochodem i jest okYoDa pisze:Więc załorzyłem tłumik od GT , no o to mi chodziło , jest mega róznica !! Nie jakiś straszny ryk tylko ładny wydobyty bas i słychać ładny bulkot na wolnych a na wyższych jest ładny GRRROOOO. Aż dałem się żonie przejechać bym mógł posłuchać z daleka heheJest SUPER!!
Wymiana bezproblemowa 15min , bez żadnych przeróbek pasuje idealnie.
POLECAM W 100% !!!
PS . teraz widze że żadne urządzenia (typowe) rejestrujące dzwięk nie są w stanie oddać to co ludzkie ucho słyszy i filmiki nagrane na Youtube są zupełnie inne , bez sensu jest się tym sugerować przy wyborze tłumika.
Dzięki za natchnienie
nie było P&P przez jakiś dydek na rurze głównej. Taki, który wchodzi w rurkę tłumika.
Do stockowego mam/miałem
pusta w środku.
Pozdrawiam
Mateusz
"Oko jest oknem ciała ludzkiego, przez które człowiek rozpatruje swą drogę i zażywa piękności świata."
Leonardo da Vinci (1452-1519)
https://picasaweb.google.com/KlubA4ono/ ... 4220375922" onclick="window.open(this.href);return false;
Mateusz
"Oko jest oknem ciała ludzkiego, przez które człowiek rozpatruje swą drogę i zażywa piękności świata."
Leonardo da Vinci (1452-1519)
https://picasaweb.google.com/KlubA4ono/ ... 4220375922" onclick="window.open(this.href);return false;
-
caniggia
- Stowarzyszenie MKP
- Posty: 3868
- Rejestracja: 2008-12-19, 15:05
- Model: Mustang GT 4.6 Turbo
- Silnik: V8 4.6
- Kolor: satin silver
Re: Wydech
to dobrze myslisz .... - maja to tylko V6caniggia pisze:jezeli to jest to o czym mysle, to po to aby tlumik w rezonans nie wpadał.
- Tom.Tom
- Forumowicz
- Posty: 1309
- Rejestracja: 2011-11-16, 20:58
- Model: X-CHARGED
- Silnik: V6 4.0
- Kolor: bordo + czarny mat
- Lokalizacja:: Trójmiasto
- Stajnia: Stajnia Pomorze
Re: Wydech
U mnie podwójny wydech już gotowy. Magik pięknie uspawał H - wszystko połączone elegancko bez spawania (łączenia między katami a H na redukcji a między H a rurami do tyłu na obejmach). Zdecydowaliśmy się zachować oryginalny odcinek za katami na którym są uchwyty do poduszek. (W razie jakby mi albo następnemu właścicielowi chciało się coś zmieniać, to bez problemu założy każdy aftermarketowy układ, bo tam się tnie przed uchwytami.
Jestem zadowolony - w środku nie ma drone, na wolnych obrotach ładnie cicho pracuje lekko gulgocząc, jak się da w palnik to fajne grrroooo jest.
Co to zmian w sposobie jazdy - mam wrażenie, że łagodniej automat wrzuca 2 przy max gazu - wcześniej po podniesieniu ciśnienia było szarpnięcie - teraz jest zdecydowanie płynniej - czy to możliwe, że zmiana wydechu mogła na to wpłynąć, czy to tylko moja autosugestia?
Jestem zadowolony - w środku nie ma drone, na wolnych obrotach ładnie cicho pracuje lekko gulgocząc, jak się da w palnik to fajne grrroooo jest.
Co to zmian w sposobie jazdy - mam wrażenie, że łagodniej automat wrzuca 2 przy max gazu - wcześniej po podniesieniu ciśnienia było szarpnięcie - teraz jest zdecydowanie płynniej - czy to możliwe, że zmiana wydechu mogła na to wpłynąć, czy to tylko moja autosugestia?

:: PAN TOMASZ ZOSTAŁ BOHATEREM W SWOIM GARAŻU - SAM ZAMONTOWAŁ KOMPRESOR! :: viewtopic.php?f=13&t=5243&start=150#p137691
-
XerofaN
- Forumowicz
- Posty: 594
- Rejestracja: 2011-06-16, 15:56
- Model: Pony
- Silnik: V6 4.0
- Kolor: Tungsten Gray
Re: Wydech
no wlasnie ostatnio w Ulezy zwrociliscie mi uwage ze mi strasznie tlumik lata, jeszce tego nie sprawdzilem ale jakos specjalnie sie nie przejmuje bo jak moj kon ostro startuje to wszystko w nim lata i brzeczyAluStar pisze:to dobrze myslisz .... - maja to tylko V6caniggia pisze:jezeli to jest to o czym mysle, to po to aby tlumik w rezonans nie wpadał.
tom.tom zalozyles wydech i nie wpadasz do poznania. nie ladnie
- Tom.Tom
- Forumowicz
- Posty: 1309
- Rejestracja: 2011-11-16, 20:58
- Model: X-CHARGED
- Silnik: V6 4.0
- Kolor: bordo + czarny mat
- Lokalizacja:: Trójmiasto
- Stajnia: Stajnia Pomorze
Re: Wydech
No niestety kibluję jeszcze w pracy - telekonferencja ze Stanami...
A może ci lata bo masz poluzowane/pourywane poduszki?
A może ci lata bo masz poluzowane/pourywane poduszki?

:: PAN TOMASZ ZOSTAŁ BOHATEREM W SWOIM GARAŻU - SAM ZAMONTOWAŁ KOMPRESOR! :: viewtopic.php?f=13&t=5243&start=150#p137691
